TE Connectivity ECP40B High-Voltage DC Contactors

TE Connectivity's (TE) ECP40B High-Voltage DC Contactors are designed for control in high-voltage environments, such as battery energy storage systems, solar inverters, and electric vehicle (EV) charging applications. These contactors are suitable for pre-charge applications and can be used in 1500VDC voltage systems. ECP40B contactors feature a 40A making capability, are hermetically sealed with ceramic, and allow bidirectional loads. TE ECP40B High-Voltage DC Contactors offer a small size, ensuring space savings while providing high performance in electrical endurance.

Features

  • 40A making capability
  • Small size ensures space savings
  • Switching voltage up to 1500VDC meets system voltage requirements
  • Bidirectional contacts design
  • High performance in electrical endurance
  • Safety ensured during charge and discharge

Applications

  • Battery energy storage systems
  • EV charger
  • DC converters
  • Photovoltaic inverters

Specifications

  • 1 form X (SPST-NO-DM) contact arrangement
  • 30ms operate time maximum
  • 10ms release time maximum
  • 200,000 cycles of mechanical life
  • 3W coil power
  • Screw terminals
  • -40°C to +85°C operating temperature range

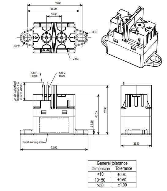
Dimensions

Mechanical Drawing - TE Connectivity ECP40B High-Voltage DC Contactors
Published: 2024-08-19 | Updated: 2024-08-28