Texas Instruments DRV8343x-Q1 Automotive 3-Phase Smart Gate Drivers
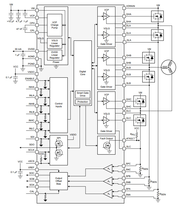
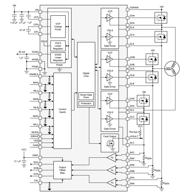
Texas Instruments DRV8343x-Q1 Automotive, 60V, Smart Gate Drivers provide three half-bridge gate drivers, each capable of driving high-side and low-side N-channel power MOSFETs. The DRV8343S-Q1 has an SPI interface, while the DRV8343H-Q1 offers a hardware interface. The independent MOSFET control is enabled using the dedicated Source and Drain pins for solenoid application.The DRV8343-Q1 employs an integrated charge pump generating the correct gate drive voltages, sufficient for the high-side MOSFETs and a linear regulator for the low-side MOSFETs. Peak gate drive currents up to 1A source and 2A are supported through the Smart Gate Drive. The device features a wide input supply range of 5.5 to 60V for the gate driver and operates from a single power supply. The Texas Instruments DRV8343-Q1 devices are AEC-Q100 qualified for automotive applications.
Features
- AEC-Q100 qualified for automotive applications
- Temperature grade 1 (–40°C ≤ TA ≤ 125°C)
- Three independent half-bridge gate driver
- Dedicated source (SHx) and drain (DLx) pins to support independent MOSFET control
- Drives three high-side and three low-side N-channel MOSFETs (NMOS)
- Smart gate drive architecture
- Adjustable slew rate control
- 1.5mA to 1A peak source current
- 3mA to 2A peak sink current
- Charge-pump of gate driver for 100% Duty Cycle
- 3 Integrated current sense amplifiers (CSAs)
- Adjustable gain (5, 10, 20, 40V/V)
- Bidirectional or unidirectional support
- SPI (S) and hardware (H) interfaces available
- 6x, 3x, 1x, and independent PWM modes
- Supports 3.3V, and 5V logic inputs
- Charge pump output can be used to drive the reverse supply protection MOSFET
- Linear voltage regulator, 3.3V, 30mA
- Integrated protection features
- VM undervoltage lockout (UVLO)
- Charge pump undervoltage (CPUV)
- Short to battery (SHT_BAT)
- Short to ground (SHT_GND)
- MOSFET overcurrent protection (OCP)
- Gate driver fault (GDF)
- Thermal warning and shutdown (OTW/OTSD)
- Fault condition indicator (nFAULT)
Applications
- 12V and 24V automotive motor-control applications
- BLDC and BDC motor modules
- Fans and blowers
- Fuel and water pumps
- Solenoid drive
DRV8343H-Q1 Block Diagram
DRV8343S-Q1 Block Diagram
Published: 2019-05-17
| Updated: 2023-09-14
