Texas Instruments DRV8842 Motor Drivers
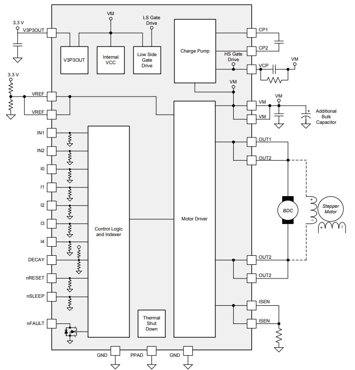
Texas Instruments DRV8842 Motor Drivers provide an incorporated motor drivers solution for printers, scanners, and other automated equipment applications. These drivers operate from 8.2V to 45V supply voltage. The DRV8842 driver includes one H-bridge driver and is intended to drive one DC motor, one coil of a stepper motor, or other loads. The output driver block consists of N-channel power MOSFETs configured as an H-bridge. The Texas Instruments DRV8842 can supply up to 5A peak or 3.5A RMS output current. Features include overcurrent protection, short-circuit protection, under-voltage lockout, and over-temperature. Other applications include office automation machines, gaming machines, factory automation, and robotics. Compared to the DRV8842, the DRV8874 saves BOM space and cost by eliminating sense resistors.Features
- Single H-bridge current-control motor driver
- 8.2V to 45V operating supply voltage range
- Five-bit winding current control allows up to 32 current levels
- Low MOSFET RDS(on) (typical) 0.2Ω (HS + LS)
- 5A (maximum) drive current @ 24V 25°C
- Built-in 3.3V reference output
- Industry-standard PWM control interface
- Thermally enhanced surface mount package
- Protection features
- Overcurrent Protection (OCP)
- Thermal Shutdown (TSD)
- VM Undervoltage Lockout (UVLO)
- Fault condition indication pin (nFAULT)
Applications
- Printers
- Scanners
- Office automation machines
- Gaming machines
- Factory automation
- Robotics
Functional Block Diagram
Simplified Schematic
Published: 2019-03-28
| Updated: 2023-08-11
