Texas Instruments LM4041-N/LM4041-N-Q1 Precision Voltage References

Texas Instruments LM4041-N/LM4041-N-Q1 Precision Voltage References are available in subminiature, surface-mount SC70, and SOT-23 packages, ideal for space-critical applications. The LM4041-N has an advanced design that eliminates the need for an external stabilizing capacitor while providing stability with any capacitive load. The availability of a fixed (1.225V) and adjustable reverse breakdown voltage further reduces design effort, making the device easy to use.

The LM4041-N 1.2 and the LM4041-N ADJ have a minimum operating current of 60μA and a maximum operating current of 12mA, respectively. The TI LM4041-N utilizes fuse and Zener-zap reverse breakdown or reference voltage trim during wafer sort to guarantee that the prime parts have an accuracy of better than ±0.1% (A grade) at 25°C.

The devices feature bandgap reference temperature drift curvature correction and low dynamic impedance, which confirm stable reverse breakdown voltage accuracy over a wide range of operating temperatures and currents.

Features

  • Qualified for automotive applications
  • SEC-Q100 qualified with the following results
    • Device temperature grade 1 -40°C to +125°C ambient temperature range
    • Device temperature grade 3 -40°C to +85°C ambient temperature range (for SOT-23 only)
  • Available in standard, AEC Q-100 grade 1 (extended temperature range), and grade 3 (industrial temperature range) qualified versions (SOT-23 only)
  • Small packages of SOT-23, TO-92, and SC70
  • No output capacitor is required
  • Tolerates capacitive loads
  • Reverse breakdown voltage options of 1.225V and adjustable
  • Output voltage tolerance (A grade, 25°C) = ±0.1% (maximum)
  • Low output noise (10Hz to 10kHz) = 20μVrms
  • Wide operating current range of 60μA to 12mA
  • Industrial temperature range (LM4041A/B-N, LM4041-N-Q1A/Q1B) of -40°C to +85°C
  • Extended temperature range (LM4041C/D/E-N, LM4041-N-Q1C/Q1D/Q1E) of -40°C to +125°C
  • Low temperature coefficient of 100ppm/°C (maximum)

Applications

  • Portable, battery-powered equipment
  • Data Acquisition Systems
  • Instrumentation
  • Process control
  • Energy management
  • Automotive
  • Precision audio components

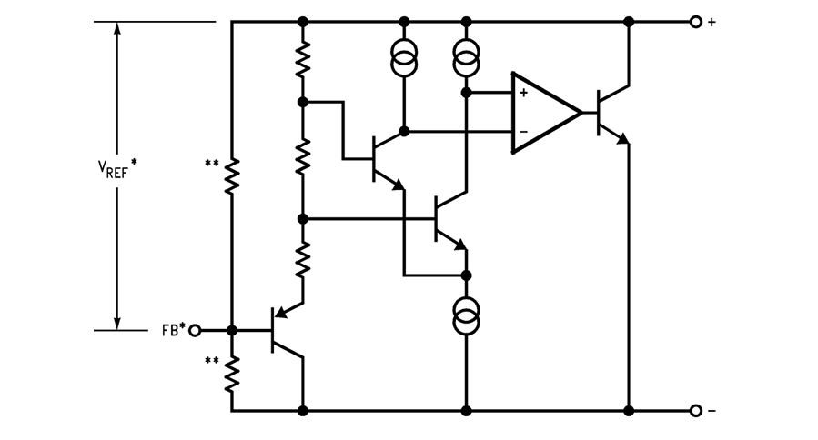
Block Diagram

Block Diagram - Texas Instruments LM4041-N/LM4041-N-Q1 Precision Voltage References

Pin Configurations

Chart - Texas Instruments LM4041-N/LM4041-N-Q1 Precision Voltage References
Published: 2025-01-15 | Updated: 2025-05-22