Texas Instruments MSPM0G110x Mixed-Signal Microcontrollers
Texas Instruments MSPM0G110x Mixed-Signal Microcontrollers feature up to 128KB of flash memory with built-in error correction code (ECC) and up to 32KB of ECC-protected SRAM with hardware parity. The MSPM0G110x is part of the MSP highly integrated, ultra-low-power 32-bit MCU family based on the enhanced Arm® Cortex®-M0+ 32-bit core platform, which operates at up to 80MHz frequency. This cost-effective MCU provides high-performance analog peripheral integration, supports an extended temperature range of -40°C to +105°C, and operates with a 1.62V to 3.6V supply voltage range.The TI MSPM0G110x MCU is ideal for motor control, home appliances, uninterruptible power supplies (UPS) and inverters, medical and healthcare, grid infrastructure, lighting, and other applications.
Features
- Arm 32-bit Cortex-M0+ CPU with memory protection unit, frequency up to 80MHz
- -40°C to +105°C extended temperature range
- Wide 1.62V to 3.6V supply voltage range
- Memory
- Up to 64KB of flash memory with built-in ECC
- Up to 32KB of ECC-protected SRAM with hardware parity
- High-performance analog peripherals
- Two simultaneous sampling 12-bit 4Msps analog-to-digital converters (ADCs) with up to 17 external channels
- 14-bit effective resolution at 250ksps with hardware averaging
- One general-purpose amplifier (GPAMP)
- Configurable 1.4V or 2.5V internal shared voltage reference (VREF)
- Integrated temperature sensor
- Two simultaneous sampling 12-bit 4Msps analog-to-digital converters (ADCs) with up to 17 external channels
- Intelligent digital peripherals
- 7-channel DMA controller
- Two 16-bit advanced control timers supporting deadband insertion and fault handling
- Seven timers supporting up to 22PWM channels
- One 16-bit general-purpose timer
- One 16-bit general-purpose timer supports QEI
- Two 16-bit general-purpose timers support low-power operation in standby mode
- One 32-bit general-purpose timer
- Two 16-bit advanced timers with deadband
- Two window-watchdog timers
- RTC with alarm and calendar mode
- Enhanced communication interfaces
- Four UART interfaces; one supports LIN, IrDA, DALI, Smart Card, and Manchester, and three support low-power operation in standby mode
- Two I2C interfaces supporting up to FM+ (1Mbit/s), SMBus/PMBus, and wake-up from stop mode
- Two SPI interfaces, with one SPI interface supporting up to 32Mbits/s
- Optimized low-power modes
- Run: 96µA/MHz (CoreMark)
- Sleep: 200µA at 4MHz
- Stop: 50µA at 32kHz
- Standby: 1.5µA with RTC and SRAM retention
- Shutdown: 100nA with IO wake-up capability
- Clock system
- Internal 4MHz to 32MHz oscillator with up to ±1% accuracy (SYSOSC)
- Phase-locked loop (PLL) up to 80MHz
- Internal 32kHz oscillator (LFOSC)
- External 4MHz to 48MHz crystal oscillator (HFXT)
- External 32kHz crystal oscillator(LFXT)
- External clock input
- Data integrity and encryption: cyclic redundancy checker (CRC-16, CRC-32)
- Flexible I/O
- Up to 60 GPIOs
- Two 5V-tolerant IOs
- Two high-drive IOs with 20mA drive strength
- 2-pin serial wire debug (SWD) development support
- Package options
- 64-pin LQFP
- 48-pin LQFP, VQFN
- 32-pin VQFN
- 28-pin VSSOP
- 24-pin VQFN
- Family members
- MSPM0G1105: 32KB flash, 16KB RAM
- MSPM0G1106: 64KB flash, 32KB RAM
- MSPM0G1107: 128KB flash, 32KB RAM
- Development kits and software
- LP-MSPM0G3507 LaunchPad™ development kit
- MSP Software Development Kit (SDK)
Applications
- Motor control
- Home appliances
- UPS and inverters
- Electronic point-of-sale (POS) systems
- Medical and healthcare
- Test and measurement
- Factory automation and control
- Industrial transport
- Grid infrastructure
- Smart metering
- Communication modules
- Lighting
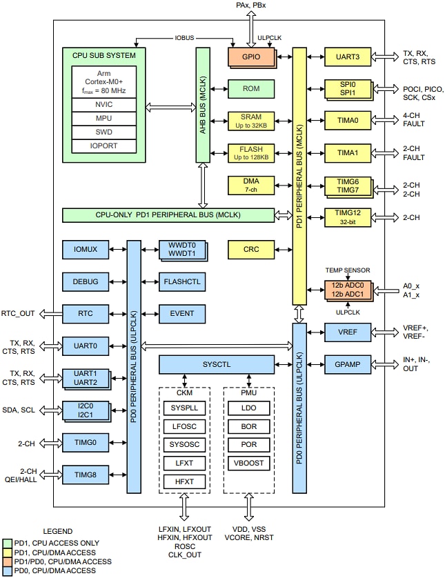
Functional Block Diagram
Published: 2023-04-03
| Updated: 2025-04-16
