Texas Instruments SN4599-Q1 2:1 (SPDT) 1-Channel Analog Switch
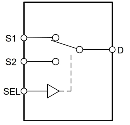
Texas Instruments SN4599-Q1 2:1 (SPDT) 1-Channel Analog Switch is a general-purpose complementary metal-oxide semiconductor (CMOS) single-pole double-throw (SPDT) switch. The device switches between two source inputs based on the state of the SEL pin. Its wide operating supply of 2V to 5.5V allows for use in a variety of automotive applications. The Texas Instruments SN4599-Q1 supports bidirectional analog and digital signals on the source (Sx) and drain (D) pins ranging from GND to VDD.Features
- AEC-Q100 qualified for automotive applications
- Device temperature grade 1 (–40°C to 125°C ambient operating temperature)
- Device HBM classification level H1C
- Device CDM classification level C3
- Rail-to-rail operation
- Bidirectional signal path
- Low on-resistance of 7Ω
- 2V to 5.5V wide supply range
- -40°C to +125°C operating temperature
- Break-before-make switching
- SN4599-Q1 is a direct replacement for NLAS4599-Q1
Applications
- Analog and digital switching
- I2C and SPI bus multiplexing
- Advanced driver assistance systems (ADAS)
- Body electronics and lighting
- Infotainment and cluster
- Zonal architecture
- Body control modules
- Battery management systems
- Telematics
- Automotive head unit
Functional Block Diagram
Additional Resources
Published: 2024-08-20
| Updated: 2025-05-15
