Texas Instruments SN74AC238-Q1 3-to-8 Line Inverting Decoders/Demuxs
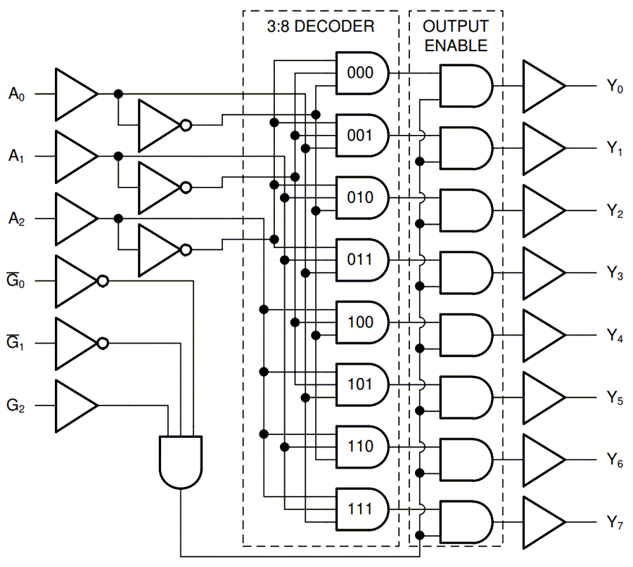
Texas Instruments SN74AC238-Q1 3-to-8 Line Inverting Decoders/Demultiplexers contain a three-to-eight decoder with one standard output strobe (G2) and two active low output strobes (G1 and G0). When the Texas Instruments SN74AC238-Q1 outputs are gated by any of the strobe inputs, the inputs are all forced into the low state. The selected output is high, while all others are low when the strobe inputs do not disable the outputs.Features
- AEC-Q100 qualified for automotive applications
- Device temperature grade 1 (-40°C to +125°C)
- Device HBM ESD classification level 2
- Device CDM ESD classification level C4B
- Available in wettable flank QFN package
- Wide operating range of 1.5V to 6V
- Inputs accept voltages up to 6V
- Continuous ±24mA output drive at 5V
- Supports up to ±75mA output drive at 5V in short bursts
- Drives 50Ω transmission lines
- Maximum tpd of 10ns at 5V, 50pF load
Applications
- Memory device selection with shared data bus
- Route data
- Reduce the required number of outputs for chip-select applications
Logic Diagram (Positive Logic)
Additional Resources
Published: 2024-08-27
| Updated: 2025-05-15
