Texas Instruments SN74ACT238/SN74ACT238-Q1 3-to-8 Decoder/Demux

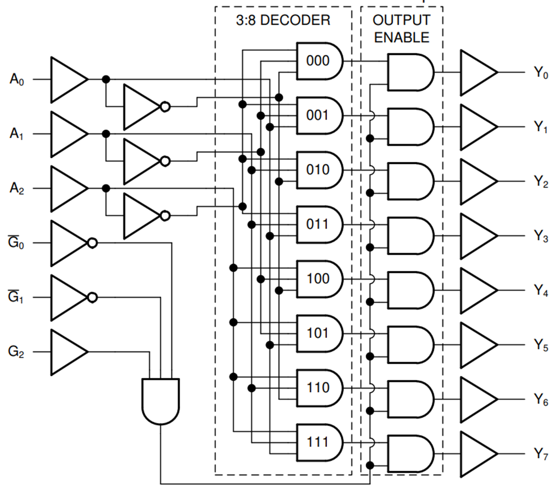
Texas Instruments SN74ACT238/SN74ACT238-Q1 3-to-8 Decoder/Demultiplexer includes one standard output strobe (G2) and two active low output strobes (G1 and G0). When the channel strobe inputs are all active, only the selected output is high, while all others are low. When any strobe input is inactive, the outputs are all forced into the low state. The Texas Instruments SN74ACT238-Q1 devices are AEC-Q100 qualified for automotive applications.

Features

  • Operating voltage range of 4.5V to 5.5V
  • TTL-compatible inputs
  • Continuous ±24mA output drive at 5V
  • Supports up to ±75mA output drive at 5V in short bursts
  • Drives 50Ω transmission lines
  • Fast operation with a delay of 10.9ns (max.)

Applications

  • Memory device selection with shared data bus
  • Route data
  • Reduce the required number of outputs for chip-select applications

Functional Diagram

Block Diagram - Texas Instruments SN74ACT238/SN74ACT238-Q1 3-to-8 Decoder/Demux
Published: 2025-02-18 | Updated: 2025-05-06