Texas Instruments SN74HC595B 8-Bit Shift Registers

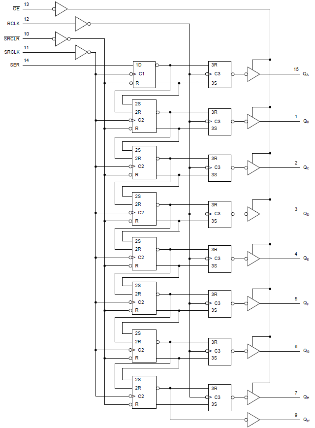
Texas Instruments SN74HC595B 8-Bit Shift Registers contain an 8-bit, serial-in, parallel-out shift register that feeds an 8-bit D-type storage register. The storage register has parallel 3-state outputs. Separate clocks are provided for both the shift register and storage register. The Texas Instruments SN74HC595B has a direct overriding clear (SRCLR) input, serial (SER) input, and serial outputs for cascading. When the output-enable (OE) input is high, all outputs are in the high-impedance state except QH.

Features

  • 8-bit serial-In, parallel-out shift registers
  • Available in ultra-small logic QFN package (0.5mm max height)
  • Over-voltage tolerant on inputs independent of VCC
  • Wide operating voltage range of 2V to 6V
  • High-current 3-state outputs can drive up to 15 LSTTL loads
  • 80µA (max.) ICC low power consumption 
  • tpd = 13ns (typ.)
  • ±6mA output drive at 5V
  • 1µA (max.) low input current 
  • The shift register has direct clear
  • -55°C to 125°C operating temperature

Applications

  • Network switches
  • Factory automation
  • Mobile wearables
  • Industrial building automation
  • Power infrastructure
  • LED displays
  • Servers

Functional Block Diagram

Block Diagram - Texas Instruments SN74HC595B 8-Bit Shift Registers
Published: 2016-05-31 | Updated: 2025-05-05