Texas Instruments TLV771 Low-Dropout (LDO) Linear Regulators
Texas Instruments TLV771 Low-Dropout (LDO) Linear Regulators are regulators that source 150mA of output current. These LDOs provide a voltage source with high PSRR and load and line transient performance that meets the requirements for a variety of circuits. The TLV771 has a 1.4V to 5.5V input voltage range and a 0.6V to 3.3V output voltage range. This flexibility makes the device useful for multiple applications.The Texas Instruments TLV771 features an internal soft-start circuit to avoid excessive inrush current, thus minimizing the input voltage drop during start-up. An active pulldown circuit quickly discharges the output when the LDO is disabled and provides a known start-up state. The EN input allows an external logic signal to enable or disable the regulated output. The LDO is stable with small ceramic capacitors, allowing for a small overall package size. The operating junction temperature range is from -40°C to +125°C. These LDOs are available in standard SOT-23 (DBV) and 1mm × 1mm X2SON (DQN) packages.
Features
- 55dB (1MHz) high PSRR
- 1.4V to 5.5V VIN range
- 0.6V to 3.3V fixed output voltage range
- 2% output voltage accuracy
- Low dropout voltage of 113mV at 150mA (3.3VOUT)
- Foldback current limit
- Active output pulldown resistor
- Packages
- 1mm × 1mm, 4-pin X2SON (DQN)
- 5-pin SOT-23 (DBV)
Applications
- Smartphones
- Tablets
- Gaming consoles
- Notebooks
- Streaming media players
- Set-top boxes
- Camera modules
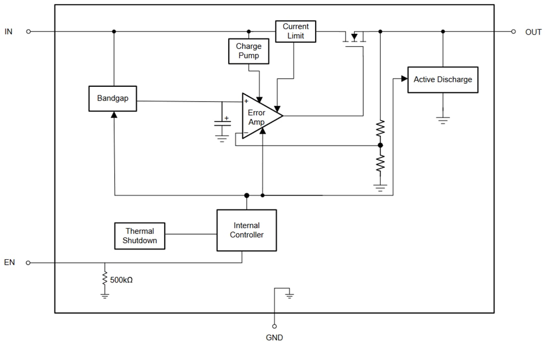
Functional Block Diagram
Published: 2024-06-24
| Updated: 2025-01-20
