Texas Instruments TMP1826 Digital Temperature Sensor

Texas Instruments TMP1826 Digital Temperature Sensor is a 1-Wire® compatible sensor with an integrated 2kbit EEPROM and operates at -55°C to +150°C a wide operating temperature range. This temperature sensor provides a high accuracy of ±0.1°C (typical)/±0.3°C (maximum) across the temperature range of -20°C to 85°C.  The TMP1826 sensor features fast data rates of 90kbps in overdrive speed and flexible user-programmable short address modes for faster device addresses. This sensor also features four configurable open-drain digital input-output and temperature alerts. Applications include factory automation and control appliances, medical accessories, CPAP machines, battery packs, LED lighting, cold chain, temperature transmitters, and EV charging infrastructure.

Features

  • 1-Wire® interface with multi-drop shared bus and CRC
  • Bus powered with 1.7V to 5.5V operating voltage range
  • IEC 61000-4-2 ESD for 8kV contact discharge
  • Functional safety-capable:
    • Developed for functional safety applications
    • Documentation available to aid functional safety system design
  • High-accuracy digital temperature sensor (DGK):
    • ±0.1°C (typical)/±0.3°C (maximum) from –20°C to 85°C
    • ±0.3°C (typical)/±0.5°C (maximum) from –55°C to 150°C
  • High-accuracy digital temperature sensor (NGR):
    • ±0.1°C (typical)/±0.3°C (maximum) from –20°C to 85°C
    • ±0.3°C (typical)/±0.5°C (maximum) from –55°C to 125°C
    • ±0.5°C (typical)/±1.0°C (maximum) from –55°C to 150°C
  • 94µA temperature measurement and 1.3µA shutdown current
  • 7.8125m°C (1 LSB) 16bit temperature resolution
  • Fast data rates of 90kbps in overdrive speed
  • Flexible user-programmable short address modes for faster device address
  • 2kbit EEPROM features:
    • Write operation in the block size of 64bits
    • Continuous read mode
  • Read with write protection with a page size of 256bits
  • 95µA/178µA read/write current
  • NIST traceable factory-programmed non-erasable 64-bit identification number for device addressing
  • Four configurable open-drain digital input-output and temperature alert

Applications

  • Factory automation and control
  • Appliances
  • Medical accessories
  • CPAP machine
  • Battery packs
  • LED lighting
  • Cold chain
  • Temperature transmitters
  • EV charging infrastructure

Block Diagram

Block Diagram - Texas Instruments TMP1826 Digital Temperature Sensor

Simplified Schematic

Schematic - Texas Instruments TMP1826 Digital Temperature Sensor

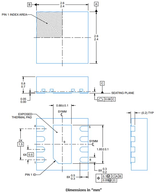
Mechanical Drawing

Mechanical Drawing - Texas Instruments TMP1826 Digital Temperature Sensor
Published: 2023-01-27 | Updated: 2023-10-30