Texas Instruments TPS544x20 Synchronous Buck Converter
Texas Instruments TPS544x20 synchronous buck converters are 20A and 30A high-performance DC-DC converters with two integrated N-channel NexFET™ power MOSFETs. These devices implement TI's proprietary D-CAP and D-CAP2 mode control providing natural input voltage feed-forward and fast transient response with a precision error amplifier and low-offset differential remote sense amplifier for precise output voltage regulation with minimal external compensation. Monotonic pre-bias capability eliminates concerns about damaging sensitive loads. Integrated PMBus capability provides current, voltage and on-board temperature monitoring, as well as many user-programmable configuration options as well as Adaptive Voltage Scaling (AVS) and output voltage margin testing.Features
- PMBus-enabled converters: 20A, 30A
- 4.5V to 18V input, 0.6V to 5.5V Output
- 5mm × 7mm LQFN package with 0.5mm pitch
- Single thermal pad
- Integrated 4.5mΩ and 2.0mΩ stacked NexFET power stage
- 600mV, 0.5% reference
- Lossless, low-side MOSFET current sensing
- Selectable D-CAP and D-CAP2 mode control
- Differential remote sensing
- Monotonic start-up into pre-biased output
- Output voltage margin and trim
- Output voltage and output current reporting
- External temperature monitoring with 2N3904
- Thermal shutdown
- Pin compatible 20A, 30A converters
- Programmable via PMBus
- Overcurrent protection
- UVLO, soft-start
- PGOOD, OV, UV, OT levels
- Fault responses
- Turn-on and turn-off delays
Applications
- Test and instrumentation
- Ethernet switches, optical switches, routers, base stations
- Servers
- Enterprise storage SSD
- High-density power solutions
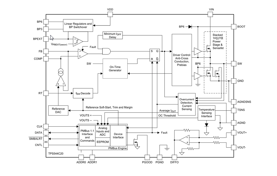
Block Diagram
Published: 2014-08-21
| Updated: 2022-03-11
