Texas Instruments TPS549A20 Synchronous Step-Down SWIFT™ Converter

Texas Instruments TPS549A20 Synchronous Step-Down SWIFT™ Converter is a small-sized (4.50mm x 3.50mm), synchronous buck converter with an adaptive on-time D-CAP3 control mode. The device offers ease-of-use and low bill-of-material count for space-conscious power systems. This converter features high-performance integrated MOSFETs, accurate 0.6V reference, and an integrated boost switch. Competitive features include very low external component count, fast load transient response, auto-skip mode operation, internal soft-start control, and no requirement for compensation. The device also features fault reports via PMBus to simplify the power supply design. A forced continuous conduction mode helps meet tight voltage regulation accuracy requirements for performance DSPs and FPGAs.

Features

  • Integrated SWIFT™ 9.9mΩ and 4.3mΩ MOSFETs, supports 15A continuous IOUT
  • 1.5V to 20V (with snubber) wide conversion input voltage range 
  • Output voltage range from 0.6V to 5.5V
  • Available PMBus adjustments
    • Voltage margin and adjustment
    • Soft-start time
    • Power-on delay
    • VDD UVLO level
    • Fault reporting
    • Switching frequency
  • Supports all-ceramic output capacitors
  • 600mV reference voltage with ±0.5% tolerance from -40°C to +85°C ambient temperature
  • D-CAP3 control mode with a fast load-step response
  • Hiccup over current protection
  • Auto-skipping eco-mode for high light-load efficiency
  • FCCM for tight output ripple and voltage tolerance requirements
  • Pre-charged startup capability
  • Eight selectable frequency settings from 200kHz to 1MHz via PMBus
  • 4.5mm x 3.5mm, 28-pin, VQFN-CLIP package

Applications

  • Servers
  • Cloud-computing
  • Storage
  • Telecom and networking
  • Point-of-Load (POL)
  • IPCs
  • Factory automation
  • PLCs
  • Test and measurement
  • Performance DSPs and FPGAs

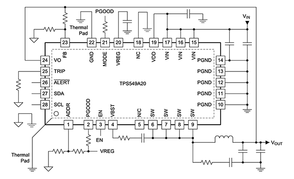
Simplified Application Circuit

Application Circuit Diagram - Texas Instruments TPS549A20 Synchronous Step-Down SWIFT™ Converter
Published: 2016-01-12 | Updated: 2022-03-11