THAT Corporation 1510/1512 Low-Noise Audio Preamplifiers
THAT Corporation 1510/1512 Low-Noise Audio Preamplifiers are high-performance current-feedback instrumentation amplifiers designed for low source-impedance preamp and bus summing applications. These preamplifiers use one external resistor to adjust gain and are even capable of controlling gain over a wide range with a single-gang potentiometer. The 1510 preamplifier achieves 6dB gain with a 10kΩ resistor and the 1512 preamplifier achieves 0dB gain with a 10kΩ resistor. The 1510/1512 audio preamplifiers offer low noise at low gains, wide bandwidth, high slew rate, low distortion, and low supply current. These preamplifiers feature internal ESD overload protection on all critical pins. Typical applications include microphone preamplifiers, variable-gain line input stages, differential low noise preamplifiers, sonar, and instrumentation.The THAT 1510/1512 Demo Boards are a self-contained circuit board that simplifies the evaluation of the THAT1510 and THAT1512 preamplifiers. These demo boards come with XLR connectors for signal input and output, and 3 pin headers for standard and phantom power. When phantom power is applied, there is the potential for the phantom power circuitry to attempt to take the IC's inputs above the rail and outside the common-mode input range of the THAT 1510/1512 preamplifiers. This demonstration system has phantom power soft start that prevents this from happening.
Features
- Low noise:
- 1nV/√Hz input noise (60dB gain)
- 34nV/√Hz input noise (0dB gain) (1512)
- Low THD+N (full audio bandwidth):
- 0.001% < 40dB gain
- 0.005% @ 60dB gain
- 6mA low current
- 7MHz @ G=100 wide bandwidth
- 19V/µs high slew rate
- ±13.3V on ±15V supplies wide output swing
- Current Feedback (CFB) architecture
- Gain adjustable from -6 to >+60dB with one external resistor
- Industry-standard pinouts
- RoHS compliant
Applications
- Microphone preamplifiers
- Variable-gain line input stages
- Differential low noise preamplifiers
- Differential summing amplifiers
- Differential variable gain amplifiers
- Moving-coil transducer amplifiers
- Intercom/paging systems
- Sonar
- Instrumentation
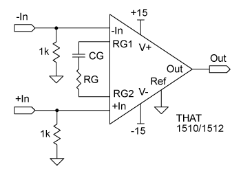
Typical Application Circuit
View Results ( 11 ) Page
| Part Number | Ib - Input Bias Current | Vos - Input Offset Voltage | Maximum Input Resistance | CMRR - Common Mode Rejection Ratio | GBP - Gain Bandwidth Product | PSRR - Power Supply Rejection Ratio |
|---|---|---|---|---|---|---|
| 1512S08-U | 14 uA | 250 uV | 15 kOhms | 60 dB | 7 MHz | 60 dB |
| 1512S14-U | 14 uA | 250 uV | 15 kOhms | 60 dB | 7 MHz | 60 dB |
| 1510S08-U | 14 uA | 250 uV | 10 kOhms | 60 dB | 7 MHz | 85 dB |
| 1512P08-U | 14 uA | 250 uV | 15 kOhms | 7 MHz | 60 dB | |
| 1510P08-U | 14 uA | 250 uV | 10 kOhms | 60 dB | 7 MHz | 85 dB |
| 1510S08-UR | ||||||
| 1510S14-U | 14 uA | 250 uV | 10 kOhms | 60 dB | 7 MHz | 85 dB |
| 1510S14-UR | ||||||
| 1510W16-UR | ||||||
| 1512S08-UR |
Published: 2021-11-11
| Updated: 2022-03-11
