Toshiba Bi-CMOS Linear Integrated Circuits
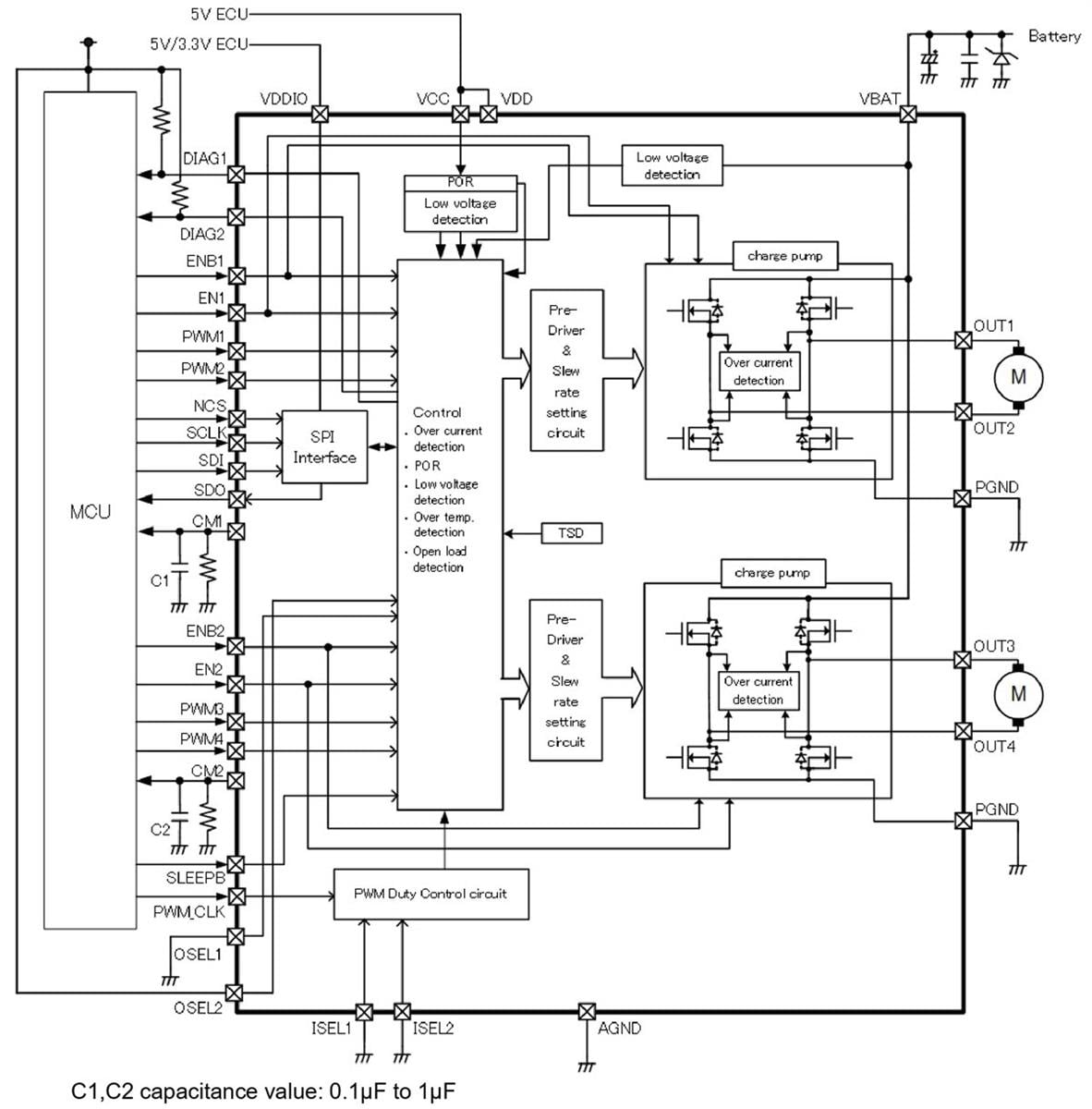
Toshiba Bi-CMOS Linear Integrated Circuits are used in brushed DC motor applications and feature two output driver channels each. The Toshiba Bi-CMOS circuits enable direct drive of motors with efficiency and have a low on-resistance and PWM control. The ICs provide highly efficient motor drive outputs, ensuring optimal performance.
Features
- Motor driver block
- Dual-channel, H-bridge driver
- (RON (Nch+Nch)) < 350mΩ (Max @ Tj = 150°C, VBAT = 8V)
- Dual-channel mode and combined-channel mode selectable, connecting two outputs externally allows this IC to function as a single-channel H-bridge circuit, and the device is also used as a 4-channel Half Bridge driver
- Detection features
- Over-current detection, over-temperature detection, VBAT under-voltage detection, and VCC under-voltage detection
- Initial diagnosis
- Power supply fault detection circuit (VBAT under-voltage and VCC under-voltage)
- PWM control output
- Forward/reverse/brake modes
- Current limit control
- Chopper-type current limiter
- High-side output current monitoring function (CM1 and CM2 pins)
- Open-load detection
- During operation/non-operation
- DIAG output (DIAG1 and DIAG2 pins)
- H-bridge mode/half-bridge mode selectable (OSEL1 and OSEL2 pins)
- Low-power Sleep Mode
- Through-current prevention circuit
- AEC-Q100/AEC-Q006 Capable
- SPI communication
- Fault reporting, device settings, and motor control through the SPI registers
- Operating voltage range
- VBAT = 4.5V to 28V (absolute rating of power supply voltage = 40V (max.) (0.5s))
- VCC = 4.5V to 5.5V
- VDDIO = 3.0V to 5.5V
- Operating temperature range
- Ta = -40°C to 125°C
- Small flat package
- TB9053FTG (P-LQFN40-0606-0.50-001)
- TB9054FTG (P-VQFN40-0606-0.50-004)
Applications
- Automotive applications
- Throttle valve
- Various engine valves
- Retractable door mirrors
- Seat heater
Block Diagram
View Results ( 2 ) Page
| Part Number | Datasheet | Description |
|---|---|---|
| TB9054FTG(EL) | ![]() |
Motor/Motion/Ignition Controllers & Drivers H-BRIDGE MTR DRV 2ch 5A SPI, AEC-Q100/Q006, Wettable QFN40 |
| TB9053FTG(EL) | ![]() |
Motor/Motion/Ignition Controllers & Drivers H-BRIDGE MTR DRV 2ch 5A/1ch 10A SPI, AEC-Q100/Q006, Power QFN40 |
Published: 2023-07-05
| Updated: 2025-12-05

