Vishay Semiconductors DrMOS SiC5xx Integrated Power Stage
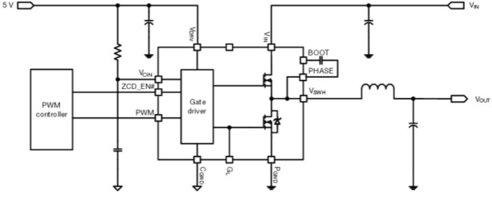
Vishay Semiconductor DrMOS SiC5xx Series Integrated Power Stage is optimized for synchronous buck applications to offer high current, high efficiency, and high power density performance. Packaged in Vishay's proprietary 4.5mm x 3.5mm MLP package, SiC521 and SiC521A enable voltage regulator designs to deliver up to 30A continuous current per phase. The series incorporates an advanced MOSFET gate driver IC that features high current driving capability, adaptive dead-time control, an integrated bootstrap Schottky diode, and zero current detect to improve light-load efficiency. The drivers are also compatible with a wide range of PWM controllers, support tri-state PWM, and 3.3V (SiC521A) / 5V (SiC521) PWM logic.Features
- Thermally enhanced PowerPAK® MLP4535-22L package
- Vishay's Gen IV MOSFET technology and a low-side MOSFET with integrated Schottky diode
- Up to 30A continuous current, 40A at 10ms peak current
- 95% peak efficiency
- High-efficiency performance
- Up to 2MHz high-frequency operation
- Power MOSFETs optimized for 12V or 19V input stages
- 3.3/5V PWM logic with tri-state and hold-off
- Zero current detect control for light-load efficiency improvement
- Power ON-reset
- Supports PS4 mode light load requirement for IMVP8 with low shutdown supply current (5V, 5μA)
- Low PWM propagation delay (<20ns)
- Under-voltage lockout for VCIN
Applications
- Multiphase VRDs for CPU, GPU, and memory
- Synchronous buck converters
- Intel IMVP-8 VRPower delivery
- DC/DC VR modules
- VCORE, VGRAPHICS, VSYSTEM AGENT Skylake, Kabylake platforms
- VCCGI for Apollo Lake platforms
- Up to 24V rail input DC/DC VR modules
Additional Resources
Application Diagram
Published: 2015-03-11
| Updated: 2022-03-11
