Western Design Center W65C265S 8- & 16-bit MCUs

Western Design Center W65C265S 16-bit Microcontrollers are designed for Hi-Rel applications in which minimum power is required. WDC W655C265S MCUs include a W65C816S Static CPU, 8Kb ROM, 576 bytes of RAM, processor-defined cache under software control, and more. The innovative architecture and demonstrated high performance of WDC W65C256S MCUs result in system cost-effectiveness and a wide range of computational power.

Features

  • Hi-Rel low power CMOS process
  • Operating TA=0ºC to +70ºC
  • Single 2.8V to 5.5V power supply
  • Static to 8MHz clock operation
  • W65C816S compatible CPU
    • 8- and 16-bit parallel processing
    • Variable-length stack
    • True indexing capability
    • Twenty-four address modes
    • Decimal or binary arithmetic
    • Pipeline architecture
    • Fully static CPU
  • Single-chip microcomputer
    • 2 Tone Generators
    • 64 CMOS compatible I/O lines
    • 8K x 8 ROM on-chip
    • 576 x 8 RAM on-chip
  • 16Mbyte linear address space
  • Twenty-nine priority encoded interrupts
  • Four UARTS
  • Time of Day (ToD) clock features
  • 8 x 16-bit timer/counters
  • Bus Control Register
  • Many bus operating features and modes
  • 8 Programmable chip select outputs
  • Low-cost surface mount 84 and 100 lead packages

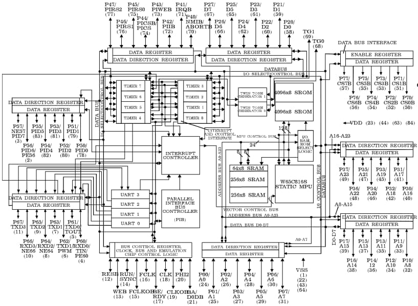
Functional Block Diagram

Western Design Center W65C265S 8- & 16-bit MCUs
Published: 2011-10-07 | Updated: 2022-03-11