Würth Elektronik WE-EPLE USB 2.0 Jack with Integrated EMC Filter

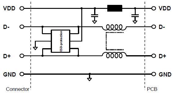
Würth Elektronik WE-EPLE USB 2.0 Jack with Integrated EMC Filter combines an EMI filter, ESD filter, and connector into an all-in-one USB component. This device is fully compatible with a standard THT USB 2.0 jack. Simply replace an existing plug with this USB 2.0 EPLE jack. The WE-EPLE provides ESD protection of data channels and VDD. It features ultra-low capacitance of 2pF typical. The integrated EMC filter eliminates broadband interference on voltage and signal lines, and at the same time, is almost invisible for the signal lines. This device features VCC filter impedance above 100Ω in the 20MHz range to an excess of 1GHz. It offers common-mode suppression at 240MHz in excess of 250Ω. Würth WE-EPLE features ESD suppression at levels of 10V at level 4 ESD pulses with 15kV.

Features

  • Combines an EMI filter, ESD filter, and connector into an all-in-one USB component
  • Shrinks PCB size and reduces noise
  • ESD protection of data channels and VDD
  • Common-mode noise rejection
  • VDD differential mode noise rejection
  • Ultra-low capacitance of 2pF typical
  • Fast turn-on and low clamping voltage
  • Data line noise suppression of 90Ω at 100MHz
  • VCC filter impedance above 100Ω in the 20MHz range to an excess of 1GHz
  • Common-mode suppression at 240MHz in excess of 250Ω
  • ESD suppression at levels of 10V at level 4 ESD pulses with 15kV
  • VCC line noise suppression of >40dB at 1MHz to 1GHz
  • USB 2.0 tested and approved
  • Same size as 61400416021

Diagram

Würth Elektronik WE-EPLE USB 2.0 Jack with Integrated EMC Filter

Schematic

Würth Elektronik WE-EPLE USB 2.0 Jack with Integrated EMC Filter
Published: 2014-12-16 | Updated: 2022-03-11