XP Power ASB160 Baseplate-Cooled AC-DC Power Supplies
XP Power ASB160 Baseplate-Cooled AC-DC Power Supplies are low-profile, full-brick AC-DC power supplies requiring no external components. These power supplies include a built-in EMC filter, AC fuse, and a bulk storage capacitor providing a complete AC-DC power solution. The ASB160 series offers 160W output power and overcurrent, overvoltage, and overtemperature protection. These power supplies reduce failure rate through effective heat exhaustion in a baseplate-cooled design. The rugged modules feature an encapsulated design, making them suitable for use in ATEX-approved equipment. XP Power ASB160 Baseplate-Cooled AC-DC Power Supplies provide high efficiency, minimize waste heat, and operate in a -40°C to +90°C temperature range on the module baseplate. Applications include industrial displays, robotics, factory automation, and process control.
Features
- Complete AC-DC power supply
- No extra components required
- Baseplate-cooled, full-brick package
- Rugged, low-profile design
- Overcurrent, overvoltage, and overtemperature protection
- Optional heatsink
Applications
- Test and measurement
- IoT and Industry 4.0
- Sensing and detection
- Industrial displays
- AC-DC converters
- Robotics
- Factory automation
- Process control
- Security
- Railway
Specifications
- 90VAC to 264VAC input voltage range
- 12VDC to 54VDC single output voltage range
- ±5% output voltage trim
- Up to 93% efficiency
- -40°C to +90°C baseplate operating temperature range
Videos
Application Examples
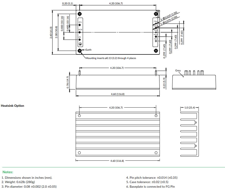
Mechanical Drawing
