XP Power ITR03 3W Unregulated DC-DC Converters

XP Power ITR03 3W Unregulated DC-DC Converters offer a compact design with a high efficiency of 83% to 91%. The converters feature unregulated single outputs from 5VDC to 15VDC and nominal inputs of 5VDC, 12VDC, and 24VDC. The series has an operating temperature range of -40°C to +100°C with full power operation of up to +85°C. XP Power ITR03 3W Unregulated DC-DC Converters are available in a compact 11.8mm x 9.66mm x 7.5mm SIP4 package.

Features

  • 5VDC to 15VDC unregulated single outputs
  • ±10% input range, nominal 5VDC, 12VDC, and 24VDC
  • 11.8mm x 9.66mm x 7.5mm SIP4 package
  • 3kVDC input/output functional isolation
  • 59W/in³ power density 
  • Up to 91% high efficiency
  • Complies with EN55032 class B
  • -40°C to +100°C operating temperature range
  • Full power to +85°C
  • 3-year warranty

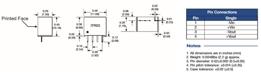
Dimensions and Pinout

Mechanical Drawing - XP Power ITR03 3W Unregulated DC-DC Converters
Published: 2020-11-02 | Updated: 2025-01-06