NorComp Dual-Port Stacked D-Sub Connectors

NorComp Dual-Port Stacked D-Sub Connectors provide multiple connector ports in a limited PCB space by stacking two right angle D-Sub connectors atop each other. These high-temperature, UL 94V-0 thermoplastic connectors are available in four industry-standard sizes (9, 15, 25, 37) and three different connector spacing options (0.625” | 0.750” | 0.900”). Each connector offers high performance, stamped contacts, and a condensed footprint. NorComp Dual-Port D-Sub Connectors include male / female over male / female configurations with hardware options that include flush inserts, hex standoffs, metal brackets, and more.

Features

  • Dual port d-subs are available in four industry sizes/positions:
    • High-density options are available in 178-H15 and 189-H15
    • Standard-density (9-pin, 15-pin, 25-pin, 37-pin) and high-density (15-pin)
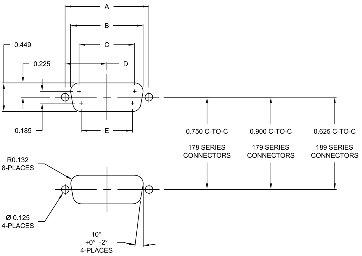
  • Three connector spacing options:
    • 178 series - 0.750" spacing
    • 179 series - 0.900" spacing
    • 189 series - 0.625" spacing
  • High-performance stamped contacts
  • RoHS-2 compliant
  • A stacked d-sub provides proper mating while maximizing board space
  • Nickel plated shells have ground indents to provide better grounding and retention
  • Metal shell for improved shielding
  • Fully intermateable with other d-sub connectors

Materials

  • Steel, nickel plating shell
  • Glass-filled thermoplastic, UL-rated 94V-O insulator (260°C process temp)
  • Brass stamped contacts
  • Gold flash plating

Panel Cutout

Mechanical Drawing - NorComp Dual-Port Stacked D-Sub Connectors
Published: 2017-11-22 | Updated: 2022-07-14